WTF? Physics
                                                      A layman's guide 



Constructing the Solar Neutrino Problem

Who would be crazy enough to do a neutrino experiment?  After all, in 1934, Bethe and Peierls[1] offered up one of the watershed moments in neutrino history.  They came up with a formula which estimates the "cross section" of a neutrino. 

Keep in mind that "cross section", even though it is expressed in terms of area, doesn’t have much to do with the actual physical dimensions of the neutrino, but rather, its probability of interaction with another particle.  Their magic formula was:


Bethe and Peierls' Neutrino Cross Section Formula

Where "s" is the cross-section.   So how did they come up with that?  This is a very important question, because the neutrino physicists would be playing footsie with this number to the present day.

Bethe and Peierls make this claim based on the following cryptic rationale:

"The cross section s for such processes for a neutrino of given energy may be estimated from the lifetime t of radiating nuclei giving neutrinos of the same energy. (This estimate is in accord with Fermi's model but is more general.) Dimensionally, the connexion will be s = A/t where A has the dimension cm2 sec. The longest length and time which can possibly be involved are ħ/mc and ħ/mc2."[2]

So, using this argument, where ħ/mc is the longest length unit and ħ/mc2 is the longest time unit for the interaction of a neutrino of a given mass (in energy units), Bethe and Peierls apparently make the calculation of the neutrino cross section by squaring the longest length possible, then multiplying that by the longest time possible, and then multiplying that by 1/t.  

Bethe and Peierls then go on to calculate the cross-section for neutrino with an energy of 2.3 MeV and where t = three minutes.  Remember that t is the lifetime of the radiating nucleus.  And that calculation is:

s  < 10-44 cm2

That’s really small.  And Bethe and Peierls go on to contend that this cross-section is:

"corresponding to a penetrating power of 1016 km. in solid matter....It is therefore absolutely impossible to observe processes of this kind with the neutrinos created in nuclear transformations."[3]

So Bethe and Peierls were convinced that you cannot find a neutrino, and produced a cross section calculation that is challenging to observe now, let alone back in 1934. 

But their approach would set up an amazing game of tag that both neutrino theorists and experimentalists would be playing to this day. 

In 1955, when Reines and Cowan were busy with the previously discussed "delayed coincidence" technique, there was already another technique for finding neutrinos that had been originally proposed by Bruno Pontecorvo in 1946. 

Pontecorvo would play a pivotal role in the neutrino adventure, as early in his career, he was an adoring assistant of Enrico Fermi’s.  Pontecorvo was never lacking for ideas, and it is not surprising that the mystifying world of oscillating neutrinos originally started inside his mind.

And it was Pontecorvo that got the ball rolling on the radiochemical approach to detecting neutrinos.  More specifically, Pontecorvo believed that neutrinos could be detected using radioactive isotopes.  And he proposed that a radioactive isotope of Argon, Ar-37, was the best candidate for that job. 

Pontecorvo’s rationale for using Ar-37 as the "neutrino detector" was based on both technical and cost considerations.  First, argon is a gas, and because it was produced in a liquid, it allowed for more efficient harvesting of the Ar-37 atoms for subsequent counting. 

And that meant that some form of liquid chlorine could be used.  And given the cost of chlorine, it was a cheap way to provide a sufficient number of target atoms for the neutrinos to interact with and produce a detectable quantity of Ar-37.

Ar-37 also had a desirable half-life of between 34 and 35 days, which allowed for sufficient time to harvest and count the Ar-37 atoms.  And Ar-37 decays by a process known as electron capture, where the nucleus sucks up a nearby electron and converts a proton into a neutron.  This process converts Ar-37 back into Cl-37, and that’s when you detect the Ar-37.

The energy associated with the beta decay of Cl-37 is 0.814 MeV.  And this was believed to be the minimum neutrino energy required to make the transition from Cl-37 → Ar-37.  In other words, the neutrino absorbed by Cl-37 had to have at least the same amount of energy as the emitted electron of beta decay that resulted in creating Ar-37 in the first place. 

Now, there is one very big assumption that goes along with all this: a neutrino with an energy of at least 0.814 MeV must interact with a Cl-37 atom.  Now, this argument is based on the idea that a neutrino interacts with a nucleus in a similar way that a photon or an electron does.  

But if they do, why do they do it so infrequently?  Surely, the dynamics of neutrino absorption are different than photon or electron absorption.  And given the fact that it is very rare for a neutrino to interact with an ordinary nucleus under any circumstances, what makes the physicists so sure that this is the minimum energy required for the neutrino to interact with Cl-37?  

It was just an unproven assumption.  And given this assumption, neutrino detection experiments were funded and would use large quantities of Cl-37 as a neutrino target. 

Raymond Davis, who would eventually win the Nobel Prize for his work with neutrinos, jumped on Pontecorvo’s Ar-37 gravy train and produced a series of experiments that would culminate in the famous "Homestake Solar Neutrino Experiment" that made it into the mainstream press. 

But Ar-37 was big trouble for the experimentalists, for two reasons.  First, it is mostly created by non-neutrino events, such as cosmic ray products, alpha particles, and free neutrons.  And second, it’s everywhere.  Ar-37 is in the air we breathe, the water we drink, and the soil beneath our feet, although in trace amounts.  It’s even in the earth’s mantle.  So given the handful of Ar-37 atoms that might be produced by neutrino collisions, Ar-37 atoms created by other processes were going to be a problem for any experimentalist.

But Raymond Davis wasn’t just any experimentalist.

 

1954: Davis’s First Attempt to Detect Antineutrinos from a Nuclear Reactor

In 1954, Davis reported that his first CL-37 experiment involved "two tanks containing 200 and 3900 liters of carbon tetrachloride", or CCl4, which "were irradiated outside of the shield of the Brookhaven reactor in an attempt to induce the reaction CL-37 → Ar-37 with fission product antineutrinos." [4]

In this experiment, Davis takes the 200-liter tank and places it next to the 17-megawatt nuclear reactor and irradiates it for 75 days, and then counts the Ar-37 atoms created by the antineutrinos emitted by nuclear fission.  Then he takes the 200-liter tank and places it 120 feet away from the reactor for 77 days.  Davis also placed a 3900-liter tank next to the reactor for 36 days to determine the effect of antineutrinos on the Cl-37.

And what does he conclude?  "The Ar-37 activity in both of these drums was below the amount detectable with the counters used."  In other words, he didn’t find anything and ascribed that issue to the counting technology used in the experiment. 

In 1954, neutrinos were not yet proven to exist, but Davis is certainly operating under that assumption.  The other two interpretations of his results were 1) neutrinos do not exist, or 2) neutrinos do not interact with Cl-37 to produce Ar-37.

Instead, Davis goes on to say: "from the result an upper limit of 2x10-42 cm2/atom can be set for the cross section for the reaction CL-37 → Ar-37 for fission product antineutrinos."[5]

Upper limit?  We have now entered the world of neutrino-speak.  Now, in neutrino experiments, you will often see the phrase "upper limit" as opposed to "is". 

And that’s statistical terminology that basically says, "we didn’t find anything that would allow us to produce the experimentally determined value of the cross section, but if there is something to be found, it can’t be any larger than the upper limit."  This certainly sounds better than "we didn’t find any evidence for the neutrino." 

Davis amusingly recalls the comments made by a reviewer of his "upper limit" approach to the cross section:

"Any experiment such as this, which does not have the requisite sensitivity, really has no bearing on the question of the existence of neutrinos. To illustrate my point, one would not write a scientific paper describing an experiment in which an experimenter stood on a mountain and reached for the moon, and concluded that the moon was more than eight feet from the top of the mountain."[6]

But at least Davis’s cross section "upper limit" of 2x10-42 cm was larger than Bethe and Peierls’s s < 10-44, so check that box off.

As part of this same experiment, Davis also buried the 3900-liter tank 19 feet below ground for 41 days.  This was to suppress cosmic ray produced Ar-37.  And what did Davis find from this?

"The amount of Ar-37 activity in the buried tank was found to be less than 0.05 disintegration per minute at saturation, a limit set by the sensitivity of the counter used. The limit corresponds to detecting 70 neutrino captures per day in the 3900-liter tank. Since the 3900-liter tank with its associated counters was more sensitive for detecting neutrinos than any previously reported device, it is of interest to consider the possibility of detecting neutrinos from the sun."[7] 

The curious language employed by Davis certainly shouldn’t be interpreted as the discovery of a neutrino.  But what is Davis saying here?  It’s ambiguous, in that the Ar-37 counts were less than 0.05 disintegrations per minute, which was the "limit" set by the sensitivity of the counter. 

And although he didn’t say it explicitly, he still had no evidence for the neutrino.  But ambiguity is not unusual in the reporting of neutrino experiments.  And neither is the concept of "upper limit", which is often referenced in lieu of an actual determination of a neutrino cross section.

And while Davis found nothing in this experiment other than cosmic rays are one of the causes of the Cl-37 → Ar-37 reaction, his punch line was that a bigger experiment would be better able to detect solar neutrinos. 

 

The Barberton Mine Experiment: are there really neutrinos from the sun?

Given Fermi’s theory of the weak force, the neutrino was now mixed up with the inner workings of the sun.  Since most of the sun’s energy comes from protons fusing into helium, this means that protons were also being converted into neutrons.  And that means neutrino emission. 

And it also means the sun must be producing a lot of them.  So many that certain types of neutrinos thought to be created in certain types of solar fusion reactions might be detectable using a large volume of Cl-37.  In 1964, John Bahcall and Raymond Davis reported on the theory and results from an experiment to do just that. 

Now, the close relationship between these two scientists certainly brings into question why a theorist and experimentalist were able to have such deep hooks into the outcomes and interpretations of a series of neutrino experiments.  This is certainly not an optimal situation from the standpoint of pure objective science. 

Both Bahcall and Davis had a vested professional interest in the reality of solar neutrinos, and one could rightfully question the motives behind the whole "Solar Neutrino Problem", as the obvious inconsistency in Davis’s experiment and Bahcall’s theory ended up with both those scientists being "proven right" in the eyes of the general public.

Let’s take a closer look at how that happened.

What Bahcall and Davis were targeting in the first solar neutrino experiment were neutrinos created in the following solar fusion reaction sequences[8]:

He-3(a,g)Be-7(e-n)Li-7(p, a)He-4

He-3(a,g)Be-7(p,g)B-8(e+n)Be-8*(a)He-4

(where n = neutrino, a = alpha particle, g = gamma photon, e+ = positron, e- = electron, p = positron) 

Now, Bahcall indicates that Be-7 and B-8 solar neutrinos have enough energy to cause Cl-37 to decay into Ar-37, and that Be-7 neutrinos make up about 10% of the neutrino absorptions by Cl-37.  In so doing, Bahcall was making an argument about how this relates to the central temperature of the sun. 

In the very same issue of Physical Review Letters, Davis piggybacked with Bahcall’s letter, and reported briefly on how the experiment was executed, along with the results.

This experiment took place in the early 1960s in the 2300 feet deep Barberton Limestone mine in Ohio.  It consisted of 1,000 gallons of C2Cl4 and was the second attempt by Davis to demonstrate the validity of using the Cl-37 Ar-37 reaction to detect neutrinos. 

And again, Davis reported that the experiment didn’t indicate any solar neutrino activity.

"The counting rate with the sample was 3 counts in 18 days and this is the same as the background rate for the counter filled with air argon. Therefore the observed counting rate of 3 counts in 18 days is probably entirely due to the background activity. However, if one assumes that this rate corresponds to real events and uses the efficiencies mentioned, the upper limit of the neutrino capture rate in 1000 gallons of C2C14 is ≤ 0. 5 per day [emphasis added]....On the other hand, if one wants to measure the solar neutrino flux by this method one must use a much larger amount of C2C14, so that the expected Ar-37 production rate is well above the background of the counter, 0.2 count per day. Using Bahcall’s expression...then the expected solar neutrino captures in 100000 gallons of C2C14  will be 4 to 11 per day, which is an order of magnitude larger than the counter background. On the basis of experience obtained with the present experiment, an increase in the volume of liquid to 100000 gallons would not present any insuperable difficulties."[9]

This remarkable passage first starts with Davis saying that the Ar-37 production rate was the same as the background rate that was counted using a sample of air argon.  But, Davis then begins the neutrino-speak, and "if one assumes" that these Ar-37 counts were actually caused by solar neutrinos, then 1000 gallons of C2C14 will capture  0. 5 neutrinos per day. 

And then Davis promotes a 100,000 gallon experiment which he claims will have the solar neutrino capture rate of "4 to 11 per day". 

Still, according to Davis, the solar neutrinos are out there.  We just need a bigger tank and a deeper mine.  However, Davis’s estimated neutrino capture range of "4 to 11 per day" won’t last very long. 

 

What happened to the solar neutrinos?  The Homestake Experiment

If there was ever an experiment that was headed for trouble, it was the Homestake Solar Neutrino experiment.  The expensive experiment managed to get funded, despite two previous unsuccessful attempts by Davis’s use of the Cl-37 → Ar-37 reaction to detect neutrinos. 

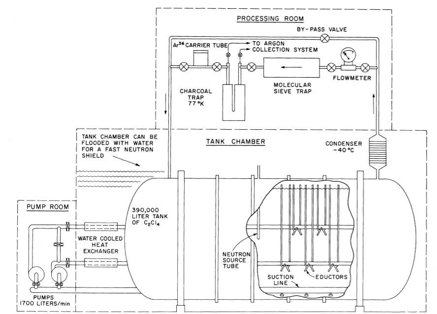
But bigger and deeper is always is always better when it comes to detecting neutrinos, and in 1965, a neutrino observatory chamber was excavated inside the Homestake mine in Lead, South Dakota.  At that time, it was the deepest operating gold mine in the continental US.  A giant tank to hold the 100,000 gallons of C2Cl4 was constructed by the Chicago Bridge and Iron Company, and the entire apparatus filled three rooms, as seen below.


Homestake Solar Neutrino Observatory

And it was completed in 1967.  The mine was still in active operation up until 2002, a possible source of added background for the experiment.  While the observatory chamber was 1478 meters below the surface, it was just 200 meters from the main access shaft to the mine. 

This was an immense effort.  And its success relied on its ability not only to detect a handful of Ar-37 atoms in a 100,000-gallon tank of C2Cl4, but to substantially reduce both the contamination of Ar-37 created from non-neutrino sources, along with other radiation sources that looked a lot like Ar-37 decay.  In other words, a lot of money was spent to reduce the non-neutrino Ar-37 "background" relative to the neutrino-induced Ar-37 "signal".

So how did it work?  Remember, back in 1964, both Davis and Bahcall had reported, in separate letters, on the 1,000-gallon Barberton Mine experiment.  Well, in May 1968, they published two more strangely worded letters in Physical Review on the first results of the Homestake Mine experiment.  And obviously, Davis and Bahcall were dealing with experimental data that just didn’t seem right.

Davis, in the May 20, 1968 edition of Physical Review Letters[10], summarizes the first of two experiments:

"The first exposure was 48 days. The tank was purged with 0.50 million liters of helium. A volume of 1.27 std cc of argon was recovered from the tank, and this volume contained 94% of the carrier Ar-36 introduced at the start of the exposure. It was counted for 39 days and the total number of counts observed in the Ar-37 peak position (full width at half-maximum) in the pulse height spectrum was 22 counts. This rate is to be compared with a background rate of 31±10 counts for this period. The neutrino-capture rate in the tank deduced from the exposure, counter efficiency, and argon recovery from this experiment was (-1.1±1.4) per day."

Now, this remarkable passage is hard to decipher because there is some implied accounting going on that isn’t explicitly presented.  The "neutrino-capture rate" was "(-1.1±1.4) per day."  So, this seems to state that the rate of neutrino capture of the C2Cl4 wasn’t statistically significant.  But the second experiment Davis reports on is much more fascinating:

"A second exposure was made for 110 days from 23 June to 11 October 1967. The tank was purged with 0.53 million liters of helium yielding 0.62 cm3 of argon with a 95% recovery of the added carrier Ar-36. The pulse-height spectra are shown in Fig. 2 for the first 35 days of counting and also for a total period of 71 days. This rate can be compared with the background rate for the counter filled with Ar-36 purified in an identical manner (shown in Fig. 2). It may be seen from the pulse-height spectrum for the first 35 days of counting that 11±3 counts were observed in the 14 channels where Ar-37 should appear. The counter background for this period of time corresponded to 12±4 counts. Thus, there is no increase in counts from the sample over that expected from background counting rate of the counter [emphasis added].  One would deduce from these rates that the neutrino-capture rate in 610 tons of tetrachloroethylene was equal to or less than 0.5 per day based upon one standard deviation. A similar limit can be obtained if one examines the shape of the pulse-height spectrum for extra counts in the 14 channels centered about channel 50 in the first 35-day count."[11]

Okay, while neutrino-speak is heavily used in this passage, Davis states "there is no increase in counts from the sample over that expected from background counting rate of the counter."  In other words, just like the first experiment, there were no statistically significant counts that would lead to the presumption that a neutrino was detected.

And then the classic line: "One would deduce from these rates that the neutrino-capture rate in 610 tons of tetrachloroethylene was equal to or less than 0.5 per day based upon one standard deviation."

Now, keep in mind Davis’s previous assertion from his report on the Barberton Mine experiment, where he estimated the neutrino captures from a 100,000 gallon tank: "then the expected solar neutrino captures in 100000 gallons of C2Cl4  will be 4 to 11 per day, which is an order of magnitude larger than the counter background."

Okay, so 0.5 neutrino captures a day isn’t as good as the "4 to 11" he was selling to get the money for the bigger experiment.  But it’s even worse than that.  Davis uses the phrase "0.5 per day based on one standard deviation." 

Now this is classic neutrino-speak.  Davis has done some slight-of-hand here that he conveniently glosses over.  Davis added the standard deviation to the mean to get to 0.5 neutrinos per day.  But only in the positive direction.  He should be quoting a range based on the positive and negative standard deviation added to the mean, along with the probability the number will be in that range. 

But there is a terrible problem with that range.  It includes zero and negative numbers.  And zero is an ugly number for the crowd that promoted the applicability of the Cl-37 Ar-37 neutrino induced reaction like it was a forgone conclusion. 

But things get even stranger in Davis’s report.  He goes on to say:

"This limit, expressed as

Sjs 0.3 x 10-35 sec-1 per Cl-37 atom

can be compared with the predicted value of (2.0 ± 1.2) x 10-35 sec-1 per Cl-37 atom (Table I). It may be seen that this limit is approximately a factor of 7 below that expected from these solar model calculations. From this limit and the cross section for B-8 neutrinos given in Table I, it may be concluded that the flux of B-8 neutrinos at the earth is equal to or less than 2 x 10-6 cm2 sec-1.  It may be pointed out that if one accepted all of the 11 counts in the spectrum for the 35-day count as real events, making no allowance for background [emphasis added], then the flux-cross-section product limit would be 0.6 x 10-35 sec-1 per Cl-37 atom."[12]

This is a remarkable statement.  Davis is trying his best to paint as rosy a picture as he can from his results: "if one accepted all of the 11 counts...as real events, making no allowance for background."  Saying there is no background in a large and complex experiment such as this is lot like saying you’re going to win the next lotto with a one-dollar bet. 

But Davis oversold this expensive experiment by promoting a better probability of capturing solar neutrinos, so this certainly had to make him present his results in the best possible light. 

And just like the tandem Physical Review Letters about the Barberton Mine experiment in 1964, Davis and Bahcall published two more letters in May, 1968. 

And you can imagine what they were thinking about the Homestake experiment.  What happened to the damn neutrinos?  They’ve been at this for years, basing their reputation on their existence, and they have yet to find anything that comes close to a statistically significant result. 

The neutrinos are not showing up.  So how do they get out of the hole they’ve dug for themselves? 

Since they’ve both been sitting on the disappointing results for months, they’ve got some time to recover.  And following in the footsteps of the changing neutrino cross section that Reines and Cowan tried to recover from, Davis sets the stage for their collective backtracking by questioning the flux calculations for the B-8 solar neutrinos. 

"The solar-model calculation of the flux of B-8 neutrinos is dependent upon the nuclear cross sections, solar composition, solar age and luminosity, and the opacity of solar material. The effect of each of these parameters has been studied, and the present results show that the solar B-8 neutrino flux is outside the present error limits if the uncertainties are treated as probable errors.[emphasis added]"[13]

The theoretical partner of this close relationship between experimentalist and theorist, John Bahcall, published a paper that immediately followed Davis’s.  And it was not off to a good start. 

In the title, "PRESENT STATUS OF THE THEORETICAL PREDICTIONS FOR THE 36Cl SOLAR-NEUTRINO EXPERIMENT*"[14], Bahcall uses Cl-36 in place of Cl-37.  And the abstract is curiously brief:

"The theoretical predictions for the 37Cl solar-neutrino experiment are summarized and compared with the experimental results of Davis, Harmer, and Hoffman. Three important conclusions about the sun are shown to follow."

And what three conclusions are those?  You won’t find them in the abstract.  But what you will find is his attempt to salvage his theory on stellar structure in the wake of Davis’s experiment. 

"We also discuss some of the important, recognized uncertainties that influence the predictions of the solar-neutrino fluxes and conclude that the present results of Davis, Harmer, and Hoffman are not in obvious conflict with the theory of stellar structure[emphasis added]."

"It is apparent from Eq. (1) that there is no irreconcilable discrepancy between our predictions and the experiment of Davis, Harmer, and Hoffman when the uncertainties in the various parameters that enter the calculation are taken into account.[emphasis added]"[15]

And these two statements by Bahcall are why scientists should not give themselves reviews of their own performance.  Interestingly, in his self-defense, Bahcall references four papers, all of which he has co-authored, one of which wasn’t even published at the time.  That’s certainly pushing your credibility.

And this is a very interesting period in Bahcall’s career.  After Bahcall was privy to the initial results from Davis’s experiment, he published a flurry of curiously timed papers. 

And from this, the "Solar Neutrino Problem" was born. 

And it was choreographed by Davis and Bahcall to be a problem in the difference between the experimental observation of B-8 neutrinos compared to the existing theories on B-8 neutrino flux.

But what really did happen?

So far, this is Davis’s third experiment using the Cl-37 → Ar-37 reaction, and Davis still hasn’t found anything resembling a statistically significant neutrino.  Now, there are several ways that one can look at Davis’s disappointing results:

1. Neutrinos do not interact with Cl-37 to produce Ar-37.

2. Neutrinos do not interact with matter at all.

3. Neutrinos don’t exist, and there are other unknown reasons to explain beta decay which have not yet been discovered.

4. There are experimental errors or problems with the sensitivity of the method employed to detect neutrinos using large amounts of Cl-37. 

5. The theoretical neutrino flux and/or cross section estimates are too high.

And while 1, 2, and 3 were all plausible explanations for Davis’s third failure at neutrino detection, they were ignored by Davis and Bahcall.  

After all, 1, 2, and 3 were professionally damaging to the neutrino physicists in general, not to mention how bad it made Davis and Bahcall look after spending so much money on the experiment.

Dr. Ed Salpeter, an astrophysicist that had co-authored papers with Bahcall, made allusions to the ramifications of Davis’s initial results in 1968:

"Thus, at the present time, we neither have a positive identification of solar neutrinos nor the morbid satisfaction of predicting a scandal in stellar evolution theory!"[16] 

But 4 and 5, while professionally damaging, weren’t catastrophic.  And since Davis and Bahcall had deep hooks in the experiment and first crack at the results, what could easily have ended up with valid questions about Davis’s Cl-37 approach and Bahcall’s stellar theories ended up as the "Solar Neutrino Problem". 

And despite the complete lack of evidence for neutrinos using Cl-37, the neutrino physicists still treated them as if they were an absolute fact.  But since there was no statistically significant evidence for anything resembling a neutrino, how did they create a non-zero experimental number to be used to compare against the theoretical number?

By using the statistical concept of "upper limit". 

"One would deduce from these rates that the neutrino-capture rate in 610 tons of tetrachloroethylene was equal to or less than 0.5 per day based upon one standard deviation [emphasis added #1]. A similar limit [emphasis added #2] can be obtained if one examines the shape of the pulse-height spectrum for extra counts in the 14 channels centered about channel 50 in the first 35-day count.  This limit, expressed as

Sjs 0.3 x 10-35 sec-1 per Cl-37 atom [emphasis added #3]

can be compared with the predicted value of (2.0 ± 1.2) x 10-35 sec-1 per Cl-37 atom [emphasis added #4] (Table I). It may be seen that this limit is approximately a factor of 7 below that expected from these solar model calculations.[emphasis added #5]"[17]

When we parse the above passage, we see the evolution of the "Solar Neutrino Problem" as presented by Davis.  Let’s now go through each of the "[emphasis added #]" clauses in more detail.

[emphasis added #1]:  Davis uses the magical calculation of "0.5 per day based upon one standard deviation".  As we said before, Davis adds the standard deviation to the mean to create a "limit" statistic.  This magic number is not an average but will effectively be treated like one in Davis’s argument.

[emphasis added #2]:  Davis uses the term "A similar limit", thereby validating the above assessment that he has created an inflated "limit" statistic, and not an average.  However, with no explicit calculation presented in his paper on how this was derived, he simply cites a qualitative argument based on some of the details of the counting methodology employed during the first 35-day count.  

[emphasis added #3]:  Davis needs to convert the daily neutrino capture rate per day, (which he cites as being less than or equal to 0.5 based on one standard deviation), into an interaction rate of neutrinos with Cl-37.  And that rate is 0.3 x 10-35 sec-1 per Cl-37 atom.  Davis does this because he wants to compare it with a theoretical value for that rate. 

[emphasis added #4]:  And that theoretical value is (2.0 ± 1.2) x 10-35 sec-1 per Cl-37 atom.  Where did this number come from?  It came from Bahcall.  Davis cites three papers used to source this number.  Bahcall is the sole author on two of them involving neutrino cross sections.  And the other one, involving neutrino flux, Bahcall is the co-author with Shaviv.  But this paper hasn’t been published yet.  Davis used Bahcall’s "to be published" neutrino flux paper to derive this critically important number.  So, this begs the question: did Bahcall use Davis’s results to adjust his flux estimates? 

[emphasis added #5]:  Davis makes the remarkable statement: "It may be seen that this limit is approximately a factor of 7 below that expected from these solar model calculations."

And the "Solar Neutrino Problem" is born. 

But note the clever neutrino-speak Davis just engaged in.  0.3 x 10-35 sec-1 per Cl-37 atom is not the average deduced from his experiment.  It’s a statistical "limit".  But the theoretical value, (2.0 ± 1.2) x 10-35 sec-1 per Cl-37 atom, is a range centered on 2.0 x 10-35. 

In other words, the difference doesn’t look as bad using Davis’s "comparison of a limit to an average" methodology.  In fact, no statistically significant evidence for neutrinos were even detected. 

Davis and Bahcall managed to take a failed Cl-37 experiment that has yet to produce evidence for neutrinos and spin it into a "Solar Neutrino Problem", and in the process, recover politically from the fact that no solar neutrinos have been found.

But what would a well-publicized and unsuccessful experiment be if the main theoretical physicist didn’t provide an immediate excuse in the very same issue of Physical Review Letters, immediately following the report that his theory doesn’t match experiment?  Why does Physical Review let this happen?

Anyway, Davis provides the lead in for a partial explanation of the "Solar Neutrino Problem", all the while ignoring the elephant in the room: so far, no one has detected a statistically significant neutrino using Pontecorvo’s Cl-37 approach as implemented by Ray Davis.

"In the following article, Bahcall, Bahcall, and Shaviv, have re-evaluated the solar neutrino fluxes taking into account a new value for the heavy element composition of the sun, and a new rate for the reaction H(H, e+n)D."[18]

Now, the tinkering with the theoretical neutrino flux numbers had perhaps begun when Bahcall saw the first results from the initial Homestake Mine experiment.  After all, they fell way short of Bahcall’s flux projections.  It had to be a very hot topic in Davis and Bahcall’s private communications.

To highlight the efforts that Bahcall and Davis made to smooth over the major miss in theory versus experiment, let’s briefly jump forward to 1982, and reference an essay they both provided in Essays in Nuclear Astrophysics:

"The last systematic theoretical calculation of the solar neutrino fluxes to appear before the first experimental results were obtained was a detailed paper on the uncertainties in the predicted rate by Bahcall and Shaviv."[19]

Bahcall is referencing a paper he co-authored called "Solar Models and Neutrino Fluxes."[20]  This paper is presented by Bahcall as his last neutrino flux calculations "before the first experimental results were obtained."[21]

Bahcall’s statement is very hard to believe.  And given the ambiguity in what Bahcall means by "obtained", perhaps he meant it to be construed as "published", which would make more sense. 

But this paper of Bahcall’s updated theoretical flux calculations was published in July, 1968, after the publication of Davis’s experimental results, in May, 1968. 

Now, that July 1968 paper, "Solar Models and Neutrino Fluxes", that Bahcall was hanging his hat on as being his pre-Davis experiment neutrino flux calculations, uninfluenced by the data from Davis, was originally received on August 10, 1967.  And this date was several months after the completion of the Davis’s first experiment, but before the completion of his second experiment.

Davis’s second exposure completed on October 11, 1967, when he began the extraction and counting of Ar-37.  And suspiciously, after the second experiment, Bahcall revised his paper and resubmitted it, three months later.  And the date the Astrophysical Journal assigned to Bahcall’s revision was January 26, 1968.

So it’s very hard to believe that Bahcall wasn’t privy to Davis’s data while he was re-calculating his theoretical flux estimates, which he subsequently presented as preceding the obtainment of Davis’s experimental data. 

Now, the actual calculation of the solar neutrino deficit, as explained by Bahcall and Davis in 1982, was  achieved with comparing an "upper limit of the product of the neutrino flux and the cross sections for all sources of neutrinos was 3x10-36 sec-1 per Cl-37 atom"[22] against Bahcall’s post-experiment correction to his own estimate of (7.5±3)x10-36 sec-1 per Cl-37 atom.  Keep in mind that 10-36 sec-1 per atom =  1 SNU (solar neutrino unit).  So Davis reported an upper limit of 3 SNUs, while Bahcall’s revised estimate was 7.5 SNUs.

This is a bit of statistical chicanery.  Davis’s "upper limit" is constructed by adding the standard deviation together with the mean, while Bahcall’s theoretical estimate does not include the standard error.  But, comparing upper limit of 3 to 7.5 creates a 60% solar neutrino deficit. 

But before Bahcall revised his estimates using Davis’s experimental data, his estimate for the number of SNUs was actually (40±2).  Now, that is a 92.5% deficit.  Bahcall summarizes his recalculation of his SNU number in his 1982 essay:

"The 1968 calculation took account of the larger cross-section factor for the 3He-3He reaction discussed above (a reduction factor of about 0.6); a more detailed calculation of the proton-proton reaction rate by Bahcall and May (1968) who also made use of a more accurate measurement of the lifetime of the neutron by Christensen et al. (1967) (all of which resulted in a reduction factor of about 0.7); and an improved determination by Lambert and Warner (1968a,b) of the heavy element to hydrogen ratio on the surface of the Sun (a reduction factor of 0.5 using their new value of Z/X = 0.02). These three changes were all in the same direction and resulted in a net reduction factor of 0.6 x 0.7 x 0.5 = 0.2, that is, a reduction from about 40 SNU to an estimated 7 or 8 SNU. [emphasis added].[23]"

And a 92.5% miss is a bad miss for both Davis and/or Bahcall. 

Was Davis’s experiment performed that poorly?  Were Bahcall’s theoretical estimates poorly calculated?  That was an expensive experiment. 

And given the fact that no statistically significant neutrino using CL-37 had yet been found in 1968, the 60% deficit was favorable to their political aspirations considering they hadn’t found anything. 

But what do you do if you’ve tried out the CL-37 approach to detecting neutrinos for the third time and you still haven’t detected them?  Do you question your approach?  Do you question yourself?  Do neutrinos really interact with Cl-37 at all?  Perhaps they don’t interact with matter at all?  Or perhaps there are no neutrinos?  Perhaps you’ve just wasted everyone’s time and money? 

Well, while some outsiders might think this way, not so with the vested neutrino physicists like Davis and Bahcall.  And as long as there is imagination and an agenda to cultivate, the already bizarre world of the neutrino would just keep getting more bizarre.

Please send comments to Charles Brack at brack@wtfphysics.com

----------

[1] Bethe and Peierls. The "Neutrino". Nature 133, 532 (1934).

[2] Ibid., P. 532

[3] Ibid., P. 532

[4] Davis, Raymond.  "Attempt to Detect the Antineutrinos from a Nuclear Reactor by the CL-37( ,e-)Ar-37 Reaction" Phys. Rev.  Vol. 97.  Issue 3.  February 1955.

[5] Ibid.

[6] Bahcall, John and Davis, Raymond. Essays In Nuclear Astrophysics (Cambridge University Press, 1982), pp. 243-285.

[7] Davis, Raymond, 1955.

[8] Bahcall, John. Solar Neutrinos. I. Theoretical. Physical Review Letters, March 16, 1964.

[9] Davis, Raymond.  Solar Neutrinos. II. Experimental. Physical Review Letters, March 16, 1964.

[10] Davis, Raymond, Harmer, Don, Hoffman, Kenneth. "Search for Neutrinos from the Sun". Phys. Rev. Lett.  Vol. 20. No. 21, 1968.

[11] Ibid.

[12] Ibid.

[13] Ibid.

[14] Bahcall, John, Bahcall, Neta, Shaviv, Giora.  "Present Status of the Theoretical Predictions for the 36Cl Solar-Neutrino Experiment*" Phys. Rev. Lett.  Vol. 20.  No. 21, 1968.

[15] Ibid.

[16] Salpeter, E. E. 1968, Comments Nucl. Part. Phys.II, 97.

[17] Davis, Harmer, Hoffman. 1968.

[18] Davis, Raymond, Harmer, Don, Hoffman, Kenneth, 1968.

[19] Bahcall, John and Davis, Raymond.  Essays in Nuclear Astrophysics (Cambridge University Press, 1982, pp. 243-285)

[20] Bahcall, John and Shaviv, Giora.  "Solar Models and Neutrino Fluxes"  Astrophysical Journal, Vol. 153, July 1968)

[21] Bahcall, John and Davis, Raymond. 1982.

[22] Davis, Raymond, Harmer, Don, Hoffman, Kenneth, 1968.

[23] Bahcall, John and Davis, Raymond. 1982.

0